-
Дисплей LCD TFT
-
Дисплей экрана касания TFT
-
Круглый дисплей TFT
-
дисплей цвета tft
-
amoled модуль дисплея
-
Микро OLED -дисплей
-
Тип TFT Адвокатуры
-
Квадратный TFT дисплей
-
Дисплей LCD высокой яркости
-
ЖК-дисплей COB
-
Солнечный свет читаемое TFT
-
Дисплей UART TFT
-
Модуль дисплея LCD
-
Дисплей PMOLED
-
дисплей epaper
-
Дисплей СИД цифровой
-
Емкостная сенсорная панель
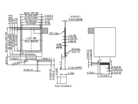
1,31-дюймовый дисплей Eink с матричным дисплеем 152x152 с точечной матрицей
| Место происхождения | КИТАЙ |
|---|---|
| Фирменное наименование | HuaXin |
| Сертификация | ISO14001/ ISO9001/IATF16949 |
| Номер модели | ESHX040131 |
| Количество мин заказа | 1000 |
| Цена | Подлежит обсуждению |
| Упаковывая детали | коробка blister+foam box+bubble bag+inside carton+master |
| Время доставки | 6weeks~8weeks |
| Условия оплаты | T/T |
| Поставка способности | 100K в месяц |
Свяжитесь я бесплатно образцы и талоны.
WhatsApp:0086 18588475571
WeChat: 0086 18588475571
Skype: sales10@aixton.com
Если вы имеете любую заботу, то мы предусматриваем 24-часовую интерактивную справку.
x| Технология отображения | Дисплей Epaper E-чернил точечной матрицы | Имя | E-БУМАГА |
|---|---|---|---|
| Размер | 1,31» | Резолюция | 152X152 |
| Отображение цвета | /red черноты/белых | Интерфейс | ППИ |
| Выделить | 1,31-дюймовый дисплей для электронной бумаги и электронных чернил,дисплей для электронной бумаги и электронных чернил 152x152 |
||
ESHX040131 представляет собой 1,31 дюймовый дисплей на бумаге E, разрешение 152 * 152, точка-матрица E-чернила E-paper дисплей применяется для E-BOOK и интерфейс является SPI, цвет дисплея является черным / белым или черным / белым / красным,Технология дисплея - это Dot-matrix E-ink E-paper Display
A: Параметр продукта
| часть No: | ESHX040131 |
| Тип | Электронная бумага |
| цвет отображения | черный/белый/красный |
| размер дисплея | 1.3 1 дюйм |
| Активная зона: | 23.514х23.514 мм |
| размер контура | 28х32,65 мм |
| Резолюция | 152X152 |
| температура хранения | -25 ~ 40 |
B: Изображение продукта
![]()
![]()
![]()
С: Рисунок
![]()
D: Знания о продукте электронной бумаги
- Электронная бумага Преимущества:
- опыт чтения на бумаге
- Ультраширокий угол обзора
- сверхнизкое потребление энергии
- сверхтонкий
- защита глаз
- охрана окружающей среды
- без подсветки
Недостатки электронной бумаги
- подходящий для более низкой температуры
- Размер ограничен на рынке
- цвет ограничен и не может сделать полный цвет
E: Информация о компании
Преимущества Huaxin:
1. заводская база расположена в городе, который имеет экономически эффективный
2. новейшее оборудование, которое может поддерживать стабильное качество
3. большинство процессов используют полностью автоматическое оборудование, которое имеет эффективность и стабильное качество
4. профессиональные инженеры и руководители производства, работающие в области ЖК-дисплеев более 20 лет
5. самостоятельный дизайн для индивидуального продукта
наши сертификаты
1.ISO14001/
2.ISO9001/IATF16949
3.SGS LCD-модуля
- Huaxin Technology (Enshi) Co., LTD.
- Хубэй.Энши.
- Дата основания:2009
- Высокотехнологичное предприятие, в основном занимающееся исследованиями и разработками, производит и продает LCD,LCM,TFT,заднего освещения,OLED
- LCD включает: VA,TN, HTN, STN, FSTN, CSTN и другие серии
- LCM включает в себя: COB,TBA, COG,TP,LED подсветки и другие серии
- Регистрационный капитал: двадцать миллионов
- текущий персонал: более 500 человек
- На долю НР приходится 10%
- КК составляет 15%
F: Производственная мощность
| Годовое производство Мощность |
2021 год (текущий) | 2022 год (цель) | 2023 (вызов) | 2024 (проблема) | 2025 год (вызов) | Примечание | ||
| ЖК-дисплей Мощность |
4.5 | 9 | 9 | 9 | 9 | Единица: тысячи Логарифмы/день |
||
| Продукт LCM Мощность |
70 | 150 | 300 | 450 | 450 | Единица: Тысяча кусок/день |
||
| Подсветка продукта Мощность |
100 | 200 | 300 | 500 | 500 | Единица: Тысяча кусок/день |
||
| Продукт OLED Мощность |
10 | 20 | 30 | 40 | 50 | Единица: Тысяча кусок/день |
||
G: Применение продукта
1Маркетинговая маркировка супермаркетов
2. чтение электронных книг
3.финансовая сфера
4. умное здравоохранение
5. умный транспорт и умный дом
H: дисплей на электронной бумаге Характеристики
1- Отражающий дисплей.
2Бистабильный.
3. Низкое потребление энергии
4. Высокая контрастность и читаемость
5Гибкий и легкий
6. Ограниченные цветовые возможности
7. Медленная скорость обновления
Я: Есть ли недостатки в использовании электронных дисплеев на бумаге
1.Ограниченные цветовые возможности
2. Медленная скорость обновления:
3Ограниченные углы зрения:
4Ограниченная яркость и контраст
5.Помедленное обновление изображения
6.Ограниченное количество больших размеров
7.Воздействие факторов окружающей среды

